Drehrichtungswächter
SAFEONE DN3PR1
Der SAFEONE DN3PR1 ist ein Sicherheitsschaltgerät zur sensorlosen Drehrichtungsüberwachung von Dreiphasen Asynchron-Motoren. Die Richtungserkennung erfolgt im Gerät durch die Auswertung der Frequenz des am Motor wirksamen Drehfeldes. Das Modul erfüllt den zertifizierten Performance Level e bzw. SIL 3.
Ihre Vorteile auf einen Blick.
Kosteneffizient
Geringere Kosten, da keine Sensoren verbaut werden müssen.
Unabhängig
Anbieter- und systemunabhängig einsetzbar.
Platzsparend
Mit 22,5 mm Baubreite passt der Drehrichtungswächter in jeden Schaltschrank.
Plug & Play
Schnelle und einfache Inbetriebnahme ohne Verdrahtung von Sensoren.
Eigenschaften

![]()
![]()
Allgemeine Daten
| Betriebsspannung UB | 24 V DC (-15/+10%) |
| Stromaufnahme bei 24V | 80 mA |
| Leistungsaufnahme an A1/A2 | 1,9 W |
| Schutzart (Gehäuse und Klemmen) | IP20 |
| Schutzart (Einbauort) | min. IP 54 |
| Luft- und Kriechstrecken zwischen den Stromkreisen | gemäß DIN EN 50178 |
| Bemessungsisolationsspannung | 400V AC gegen Erde 690V AC Phase gegen Phase |
| Bemessungsstoßspannung / Isolierung | Basisisolierung 6kV: zwischen allen Strompfaden und Gehäuse Sichere Trennung, verstärkte Isolierung 8kV: zwischen U, V, W und A1, A2, O1, O2, Q zwischen U, V, W und 13/14, 23/24 |
| Verschmutzungsgrad | 2 |
| Überspannungskategorie | III |
| Gehäusematerial | Polyamid PA nicht verstärkt |
| Abmessung | 422,5 x 114 x 111 mm (0.886 x 4.488 x 4.370 in) |
Eingangsdaten
| Digitale Eingänge | 1 sicherheitsgerichteter Eingang Q |
| Eingangsspannung | 24V DC (-15/+10%) |
| Einschaltstrom | < 5,0 mA |
| Stromaufnahme | typ. 4 mA (bei UB) |
| Messeingänge | U, V, W |
| Eingangsspannung | 90V AC bis 480V AC (Phase gegen Phase) |
| Stromaufnahme | 0,24mA bei 480V AC |
| Grenzfrequenz | 1200Hz |
| Drehrichtungserkennung | >5Hz bis 100Hz, zwei Signalperioden |
| Mindest-PWM | 1kHz |
Ausgangsdaten
| Meldeausgänge | O1, O2 nicht sicherheitsgerichtet |
| Spannung | UB – 1V |
| Max. Schaltstrom | ≤ 100mA, kurzschluss- und überlastsicher |
| Kontaktausgänge | 13/14, 23/24 |
| Kontaktmaterial | AgSnO2 |
| Schaltspannung | 24V DC / 230V AC |
| Minimaler Schaltstrom | 3 mA/ 24V DC |
| Maximaler Schaltstrom | 6A / 24V DC / 230V AC |
| Kurzschlussfestigkeit | 1000A SCPD 6A gL/gG |
| Mechanische Lebensdauer | 10^7 Schaltspiele |
| Ansprechzeit | 2 x (Periodendauer (Kehrwert der Frequenz) + max. 1ms Auswertezeit) + max. 10ms Relaisansprechzeit |
| Prozesssicherheitszeit |
1,8 s |
| Ausgangssicherung | 6 A gL/gG |
| B10d Werte nach DIN EN 61810-2- 1, 01.2012 |
AC15:
5A/230V AC, >2x105 Schaltspiele AC1:
6A/230V AC, >2x105 Schaltspiele DC13:
4A/24V DC, >3x105 Schaltspiele DC1:
6A/ 24V DC, >7x106 Schaltspiele |
Umgebungsbedingungen
| Betriebstemperatur | -20°C bis +55°C |
| Lagertemperatur | -40 °C bis +85 °C |
| Höhe des Einsatzgebietes | < 2000m über NN |
| Vibration | 10–150Hz, 1g |
| Schockfestigkeit | 15g |
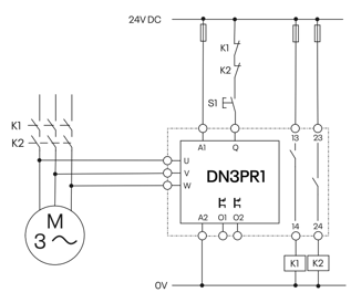
Blockschaltbild

Applikationsbeispiel
| Messeingänge | Die Messeingänge U, V, W des DN3PR1 sind direkt mit den drei Phasen des Motors M verbunden. |
| Sicher abschalten |
Wenn das DN3PR1 einen Richtungswechsel erkennt, öffnen die Freigabe- strompfade 13/14, 23/24 und schalten den Motor sicherheitsgerichtet ab. |
| Zurücksetzen der Sicherheitsfunktion |
Der Quittiertaster S1 dient zum Zurücksetzen der Sicherheitsfunktion, nachdem sich der Motor wieder in die bevorzugte Richtung dreht. |
| Überwachung externer Schütze |
Die externen, zwangsgeführten Schütze K1, K2 sind in den Startkreis des Sicherheitsschaltgerätes eingebunden. |

Sicherheitstechnische Kenngrößen nach ISO 13849–1
| Gebrauchskategorie | PFHd (h) | MTTFd (a) | DCavg |
| 6A DC1 2 Schaltspiele/h | 4,91 x 10^-9 | 471 | 99% |
| 4A DC13 2 Schaltspiele/h | 1,19 x 10^-8 | 203 | 99% |
| 6A AC1 2 Schaltspiele/h | 1,16 x 10^-8 | 157 | 99% |
| 5A AC15 2 Schaltspiele/h | 1,87 x 10^-8 | 157 | 99% |
Motoren
- Dreiphasen-Motoren mit Frequenzumrichter
- Asynchronmotoren
- Motoren mit Stern-Dreieck-Schaltung
Typische Anwendungen
- Holzverarbeitung
- Zentrifugen
- Bearbeitungsmaschinen in der Metallverarbeitung
- Förderanlagen und Förderbänder

