Sichere Kompaktsteuerung
SAFEONE DS
SAFEONE DS ist ein kompaktes, konfigurierbares Sicherheitsschaltgerät zur sicheren Maschinenüberwachung. Es kombiniert die Drehzahl- und Stillstandsüberwachung über sin/cos- oder TTL-Encoder mit der Überwachung von drei Sicherheitskreisen.
Das Gerät bietet dafür sichere digitale Eingänge sowie überlast- und kurzschlusssichere Halbleiter- und Kontaktausgänge. Die Parametrierung, das Online-Monitoring sowie die Validierung erfolgen über die Konfigurationssoftware GO:BEYOND.
Maschinensicherheit so einfach wie nie.
Sie suchen nach einer einfachen Lösung zur Drehzahl- und Stillstandsüberwachung, die Ihnen gleichzeitig bis zu drei Sicherheitskreise für Not-Halt, Schutztür und Zustimmtaster garantiert? Genau hierfür haben wir das SAFEONE DS entwickelt.
Eigenschaften


![]()
![]()
![]()
Safety Features

Technische Daten
Versorgung
| Betriebsspannung UB | 24 V DC (-15/+10%) |
| Stromaufnahme bei 24V | 50 mA |
| Leistungsaufnahme an A1/A2 | 1,2 W |
Digitale Eingänge
| Eingänge | 10 sicherheitsgerichtete Eingänge I1 – I10 |
| Stromaufnahme | typ. 4 mA (bei UB) |
| Eingangsspannungsbereich „0“-Signal | 0...5 V DC |
| Eingangsspannungsbereich „1“-Signal | 15 V DC...30 V DC |
Messeingänge: Encodereingang
| Encodereingang | 1 sicherheitsgerichteter Encodereingang RJ45 |
| Signalform | Sin/Cos, TTL |
| Grenzfrequenz | 50Hz bis 300kHz |
Halbleiterausgänge
| Ausgänge | O1, O2 | IO1, IO2 |
| Ausgangsart | ||
| Spannung | 24 V | 24 V |
| Max. Schaltstrom | 1 A | 0,5 A |
| Max. Summenstrom | 2 A | 1 A |
| Min. Schaltstrom | 1 mA | 1 mA |
Kontaktausgänge
| Ausgänge | 13/14, 23/24 |
| Kontaktmaterial | Ag Legierung |
| Ausgangsführung, Performance Level | PLd |
| Min. Schaltstrom | 10 mA |
| Schaltvermögen nach IEC 60947-5-1 | DC13: 1A/30V DC |
| Mechanische Lebensdauer | 5 x 10^7 Schaltspiele |
| Kontaktabsicherung | 3 A gL/gG |
| Ansprech-/Rückfallzeit typisch | 10 ms / 10 ms |
Allgemeine Daten
| Schutzart (Gehäuse und Klemmen) | IP20 |
| Schutzart (Einbauort) | min. IP54 |
| Luft- und Kriechstrecken zwischen den Strom- kreisen |
gemäß DIN EN 50178 |
| Bemessungsisolationsspannung | 50V AC |
| Bemessungsstoßspannung / Isolierung | 0,8 kV |
| Verschmutzungsgrad | 2 |
| Überspannungskategorie | III |
| Gehäusematerial | Polyamid PA nicht verstärkt |
Anschlussdaten
| Klemmen | Federkraftklemmen, steckbar |
| Leiterquerschnitt | 0,25 – 1,5mm2 |
| Leiterquerschnitt AWG | AWG 24...16 |
| Leiterart | Flexibel mit Aderendhülse ohne Kunststoff- hülse |
| Abisolierlänge | 9 mm |
Umgebungsbedingungen
| Betriebstemperatur | -10 °C bis +55 °C |
| Lagertemperatur | -40 °C bis +85 °C |
| Höhe des Einsatzgebietes | < 2000 m über NN |
| Schock | 11g |
| Vibration | 2g |
Abmessungen
| B x H x T | 22,5 x 114 x 111 mm (0.886 x 4.488 x 4.370 in) |
| Größe der Normschiene | 35,0 mm (1.378 in) |
Blockschaltbild
.jpg?width=315&height=134&name=Blockschaltbild_safeone%20ds%20(1).jpg)
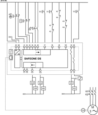
Applikationsbeispiel

| Legende | |
| Not-Halt Schalter | |
| Schutztür | |
| Zustimmtaster | |
| S1 | Quittiertaster Drehzahlüberwachung und Not-Halt |
| S2 | Entriegelung Schutzhaube |
| S3 | Anwahl Sonderbetriebsart |
| E1 | Zuhaltung Schutzhaube |
Sicherheitstechnische Kenngrößen nach DIN EN ISO 13849-1:2016-06
| MTTFd [a] | 100 |
| Kategorie | 3 |
| Performance Level | d |
| PFHd | 4,29E-08 (1A DC13; 5 cycles/h) |
| Anforderungsrate | < 12 Monate |
| Gebrauchsdauer | 20 Jahre |
Messeingänge: Encodereingang
| Encodereingang | 1 sicherheitsgerichteter Encodereingang RJ45 |
| Signalform | Sin/Cos, TTL |
| Grenzfrequenz | 50 Hz bis 300 kHz |
Kontaktlebensdauer
Elektrische Lebensdauer der Ausgangskontakte gemäß DIN EN 60947-5-1/ Anhang C.3

Applikationen
- Maschinen, die derzeit mehrere Sicherheitsfunktionen mit einzelnen Sicherheitsgeräten realisieren
- u.a. Holzbearbeitungsmaschinen, kleine Schleif-
maschinen, Zentrifugen, Mischer, Rührwerke, Sägen und
Schredder - Maschinen mit wenigen Sicherheitsfunktionen und Bedarf an Drehzahlüberwachung
Ihre Vorteile auf einen Blick.
Kompakte und effiziente Sicherheit
Das SAFEONE DS vereint Drehzahl- und Stillstandsüberwachung, Not-Halt, Türüberwachung und Zustimmtaster in einem einzigen kompakten Gehäuse. Das spart Platz in Ihrem Schaltschrank und Sie erhalten nur die Funktionen, die Sie wirklich brauchen.
Einfache Parametrierung
Unsere lizenzfreie Parametiersoftware ermöglicht Ihnen eine schnelle und unkomplizierte Parametrierung.
Plug & Play
Durch die Parametrierung per USB Schnittstelle können Sie eine schnelle Inbetriebnahme auch ohne Programmierkenntnisse vornehmen.
"Die Zusammenarbeit mit der Firma DINA war von Anfang an äußerst partnerschaftlich und lösungsorientiert. Besonders schätzten wir die unkomplizierte Erreichbarkeit der Ansprechpartner sowie ihre Bereitschaft, uns bei Bedarf direkt vor Ort zu unterstützen."


