Rotational Direction Monitor SAFEONE DN3PR1
The SAFEONE DN3PR1 is a safety switching device for sensorless monitoring of the direction of rotation of three-phase asynchronous motors. The device measures the frequency of the rotating field on the motor and evaluates the direction of rotation based on the phase position of the motor drive voltage. The module complies with the certified performance level e or SIL 3.
Safe direction monitoring easier than ever.
For safe monitoring of three-phase asynchronous motors up to 690V AC with Performance Level e, it is not even necessary to parameterise the device. The relay contacts remain closed in the desired direction of rotation. If the direction of rotation is incorrect, the relay contacts open.

![]()
![]()
General Data
| Operational Voltage UB | 24 V DC (-15/+10%) |
| Power consumption at 24V | 80 mA |
| Power input at A1/A2 | 1,9 W |
| Protection (Case and Terminals) | IP20 |
| Protection (Installation Site) | min. IP 54 |
| Clearance and creepage distances between circuits | according to DIN EN 50178 |
| Rated insulation voltage | 400V AC to Ground 690V AC Phase to Phase |
| Rated impulse voltage / insulation | Basic insulation 6kV: between all current paths and enclosure Safe separation, reinforced insulation 8kV: between U, V, W and A1, A2, O1, O2, Q between U, V, W and 13/14, 23/24 |
| Degree of contamination | 2 |
| Surge voltage category | III |
| Encasing material | Polyamide PA unreinforced |
| Measurement | 422,5 x 114 x 111 mm (0.886 x 4.488 x 4.370 in) |
Input Data
| Digital Inputs | 1 safety-related input Q |
| Input voltage | 24V DC (-15/+10%) |
| Inrush current | < 5,0 mA |
| Power consumption | typ. 4 mA (at UB) |
| Measurement Inputs | U, V, W |
| Input voltage | 90V AC to 480V AC (Phase vs. Phase) |
| Power consumption | 0,24mA at 480V AC |
| Cut-off frequency | 1200Hz |
| Rotational direction detection | >5Hz to 100Hz, two signalling periods |
| Min. PWM | 1kHz |
Output Data
| Signal outputs | O1, O2 not safety-related |
| Voltage | UB – 1V |
| Max. switching current | ≤ 100mA, short-circuit and overload proof |
| Contact outputs | 13/14, 23/24 |
| Contact Material | AgSnO2 |
| Switching Voltage | 24V DC / 230V AC |
| Min. Switching Voltage | 3 mA/ 24V DC |
| Max. Switching Voltage | 6A / 24V DC / 230V AC |
| Short-circuit resistance | 1000A SCPD 6A gL/gG |
| Mechanical service life | 10^7 Schaltspiele |
| Response time | 2 x (period duration (reciprocal of frequency) + max. 1ms evaluation time) + max. 10ms relay response time |
| Process safety time | 1,8 s |
| Output fuse | 6 A gL/gG |
| B10d Values according to DIN EN 61810-2- 1, 01.2012 | AC15: 5A/230V AC, >2x105 switching cycles AC1: 6A/230V AC, >2x105 switching cycles DC13: 4A/24V DC, >3x105 switching cycles DC1: 6A/ 24V DC, >7x106 switching cycles |
Environmental Data
| Operating Temperature | -20°C to +55°C |
| Storage Temperature | -40 °C to +85 °C |
| Max. Height for operating device | < 2000m above sea level |
| Vibration | 10–150Hz, 1g |
| Shock resistance | 15g |
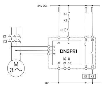
Block circuit diagram

Sample Application
| Measurement Inputs | The Measurement inputs U, V, W of the DN3PR1 are directly connected to the three phases of the motor M. |
| Safe Switch Off | When the DN3PR1 detects a change of direction, the enabling current paths current paths 13/14, 23/24 open and switch off the motor in a safety-oriented manner, resetting the safety function |
| Resetting the safety function | The S1 acknowledgement button is used to reset the safety function after the motor has turned in the preferred direction again the motor rotates in the preferred direction again. |
| Monitoring of external Contactors |
The external, positively-driven contactors K1, K2 are integrated into the start circuit of the of the safety switchgear. |

Safety-relevant Parameters according to ISO 13849-1
|
Utilisation Category |
PFHd (h) | MTTFd (a) | DCavg |
| 6A DC1 2 Operations/h | 4,91 x 10^-9 | 471 | 99% |
| 4A DC13 2 Operations/h | 1,19 x 10^-8 | 203 | 99% |
| 6A AC1 2 Operations/h | 1,16 x 10^-8 | 157 | 99% |
| 5A AC15 2 Operations/h | 1,87 x 10^-8 | 157 | 99% |
Applications
- Three-phase motors with frequency inverter
- Asynchronous motors
- Motors with star-delta connection
Sectors
- Woodworking
- Metalworks
Your advantages summarised.
Cost-efficient
No external measurement systems equals less components, lower costs as well as faster Certification and Validation.
Be independent
Can be used on all three-phase and single-phase motors up to Performance Level e, regardless of supplier and system.
Fits into every cabinet
With an overall width of only 22,5 mm
Plug & Play
Easy to put into action without a great deal of prior knowledge. Integration into the circuit diagram is also very simple.


